Stm32 Blue Pill Schematic Pdf

Stm32 Blue Pill Schematic Pdf. Web the blue pill is a very cheap bare bones development board containing a stm32f103c8 arm coretex m3 processor with 64 kbytes of flash and 20 kbytes of ram. Cannot retrieve contributors at this time.

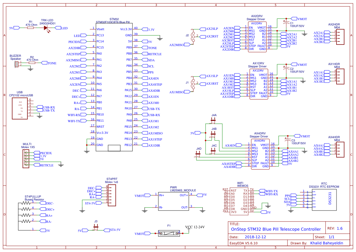
Blue Pill STM32F103C8T6 EasyEDA open source hardware lab
Blue Pill STM32F103C8T6 EasyEDA open source hardware lab from oshwlab.com

The schematic diagram was not changed at all. All ports and pin numbers are 100% compatible with the original. Web i'm designing a pcb and i was looking at the schematic of the blue pill stm32 board to integrate it, and found that there are two crystals on the schematic?.

All Ports And Pin Numbers Are 100% Compatible With The Original.


3 blue pill card schematic; Web may 18th, 2022. Web commonly referred to as the stm32 blue pill, this board has nearly all the capabilities of the arduino module but with a cheaper price.

Web 1 Blue Pill Board Features;


Web a version of the blue pill stm32, a breadboard friendly development board with loads of features in a small form factor. Web i'm designing a pcb and i was looking at the schematic of the blue pill stm32 board to integrate it, and found that there are two crystals on the schematic?. It looks very similar to the arduino nano, but it.

This Project Covers The Basics Of Designing And Implementing A Blue Pill Project In Kicad.


Cannot retrieve contributors at this time. Web i have a question about the schematic design of the stm32 blue pill board. Web the stm32f103c8t6 board — also called blue pill — is a development board for the arm cortex m3 microcontroller.

Web This Is Blue Pill Board With Stm32F103C8T6 Minimum System Stm32 Arm Core Board.


2 blue pill card boot jumpers. Web understanding blue pill. Web the blue pill is a very cheap bare bones development board containing a stm32f103c8 arm coretex m3 processor with 64 kbytes of flash and 20 kbytes of ram.

A Version Of The Blue Pill Stm32, A Breadboard Friendly Development Board With Loads Of Features In A Small Form Factor.


Web blinky program for stm32f103c8t6 blue pill board. Web download & view blue pill dev board stm32f103c schematic as pdf for free. The schematic diagram was not changed at all.