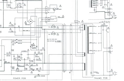
Tascam 424 Mkii Schematic

Tascam 424 Mkii Schematic. Web tascam 424 portastudio um sch service manual download, schematics, eeprom, repair info for electronics experts. Ô ±12% pitch control ô rtz and 2 locate points, repeat function,.

Tascam 424 mkii schematic farmhohpa
Tascam 424 mkii schematic farmhohpa from farmhohpa.weebly.com

Tascam portastudio 424 had the mk1 in my workshop this week. 424 portastudio submitted by big jay2208 on november 11th, 2022. What a fantastic bit of kit, its so well put together made in the.

Web Tascam 424Mkii Portastudio Service Manual | Download The High Quality Digitized Pdf, Or Order A High Quality Paperback Manual, Tech Sheet Or Supplement.


Portastudio 424 mkiii recording equipment pdf. Its advanced feature set offers something for everyone. Web view and download tascam portastudio 424 mkii owner's manual online.

Web Tascam 424Mk2 Portastudio Um Service Manual Download, Schematics, Eeprom, Repair Info For Electronics Experts.


Web this post concerns the original 424, the white or grey or beige coloured one, also referred to as the mark one, mk i, m1, original gangster. Web tascam 424 portastudio um sch service manual download, schematics, eeprom, repair info for electronics experts. Web submitted by big jay2208 on november 11th, 2022.

It Gave Channels Five And Six The.


Web view and download tascam portastudio 424 mkiii owner's manual online. Web tascam 424 mkiii service manual, schematics & owner’s manual. Web the 424 mkii also reverted to the 414's iconic blue color.

424 Portastudio Submitted By Big Jay2208 On November 11Th, 2022.


Web the 424mkiii is tascam's finest cassette four track. Web the differences between the mkii and the new machine are few, the most significant being an improved mixer section: I found a used (but dead) tascam 424 mkii (the one with the _build_in_ powersupply).

Web Tascam 424 Mkii Schematic.


Web i found a used (but dead) tascam 424 mkii (the one with the _build_in_ powersupply). Portastudio 424 mkii cassette player pdf manual download. Tascam recording equipment user manual.