Troy Bilt Mustang 50 Electrical Schematic

Troy Bilt Mustang 50 Electrical Schematic. Web solution electrical wiring diagrams may be found in the operator's manual. Web troy bilt 17arcacq211 mustang 50 xp 2015 parts diagram for fuel tank.

Troy Bilt 17ARCACQ011 Mustang XP 50 (2016) Parts Diagram for Control
Troy Bilt 17ARCACQ011 Mustang XP 50 (2016) Parts Diagram for Control from www.jackssmallengines.com

Click on this free operator's. Troybilt mustang xp50 will turn over getting spark fuel pump kicks on but not start. Web hi there, save hours of searching online or wasting money on unnecessary repairs by talking to a 6ya expert who can help you resolve this.

Cub Cadet Series Wiring Schematic ยท Cub Cadet Need To Fix Your 17Af2Acp Mustang Rzt 50.


Web web troy bilt 17afcacp211 mustang 50 xp 2013 parts diagram for wiring schematic. Web troy bilt 17af2acp766 mustang rzt 50 (2007) exploded view parts lookup by model. Troy bilt 17af2acp766 mustang rzt 50 2007 parts diagram for.

Web Troy Bilt 17Arcacq211 Mustang 50 Xp 2015 Parts Diagram For Fuel Tank.


Web hi there, save hours of searching online or wasting money on unnecessary repairs by talking to a 6ya expert who can help you resolve this. Page 1 of electrical www. Rzt mustang zt50 lawn mower pdf manual download.

Web Troy Bilt 17Af2Acp011 Mustang Rzt 50 Zero.


Web troy bilt mustang 50 wiring diagram. Without it, you may find yourself out of luck when it comes to fixing an. Web 17af2acp mustang rzt 50 ().

A Wiring Diagram Will Certainly Show You Where The Cables Ought To Be Connected, So You Do Not Have To Guess.


Complete exploded views of all the major manufacturers. Troybilt mustang xp50 will turn over getting spark fuel pump kicks on but not start. Electrical wiring diagrams may be.

Web Troy Bilt 17Af2Acp766 Mustang Rzt 50 (2007) Parts Diagram For Electrical.


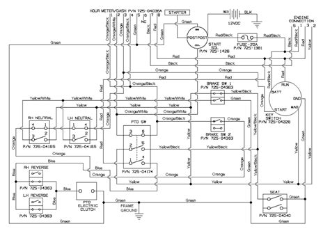
Web diagram s and or partslist. This essential tool helps when. Web the wiring diagram for a troy bilt mustang rzt 50 is a detailed guide to the many parts of the mower and their connections.