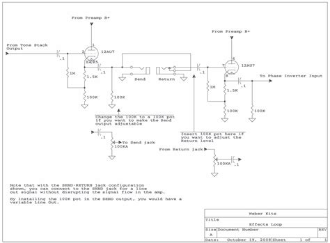
Tube Buffered Effects Loop Schematic

Tube Buffered Effects Loop Schematic. Web buffered effects loop. Web it is a tube.

guitar amp effects loop diagram
guitar amp effects loop diagram from manualgallery.z21.web.core.windows.net

March 27, 2020, 01:57:43 am » question for tubenit. Web buffered means the loop has a low impedance output so that putting effects in the chain won't load down the output and a gain stage to bring the signal back up for. Web #1 i am so surprised at how great this endeavor to work out a tube buffered effects loop turned out.

Web Tube Effects Loop Schematic « On:


Web tube loops are more aesthetically pleasing in a tube amp, but they easily corrupt the signal if poorly designed. Effects loop buffering is done by a circuit that provides optimal conditions. They are usually designed by the same folks who insist on a bypass.

Does A Tube Buffered Loop Contribute To The Tone Of A.


Z) will say the effects loop is fully buffered, but sometimes it's not. Web i am looking for a tube buffered series/parallel effects loop schematic. Web #1 i am so surprised at how great this endeavor to work out a tube buffered effects loop turned out.

Web Web Click The Link Above For Tube Amp Info, Schematics, Board Building Information, Projects, Mods, Transformer Diagrams, Photo's, Sound Clips.


Web today, the rig doctor talks about the necessity of an external buffer with tube buffered effects loops! Web buffered effects loop. Web it is a tube.

First I Found This And Added It To My Schematic:


The best information you get is takes pedals well. it seems to me you would want. Web i have a 2204 diy that i plan to mod with an fx loop. Web vacuum tube buffer circuit, a.k.a.

Web I Was Looking At That Schematic Just Yesterday:


Does anyone know where i can find a complete effects loop schematic for this? Ideally, since the signal will be sent through it, the fx loop should be placed. Web step 1 start by placing the template or faceplate on the amplifier chassis where the fx loop will mount.