Tube Headphone Amp Schematic

Tube Headphone Amp Schematic. 1w output power into 32 ohms; Web here is the deceptively simple schematic bruce shared on the project page.

Schematic of Hadphone Amplifier
Schematic of Hadphone Amplifier from audiocircuit.blogspot.com

12au7 (ecc82) / irf510 headphone amp. Most audiophiles will build the board in the normal fashion, using the popular output tubes and. It uses only one twin triode tube.

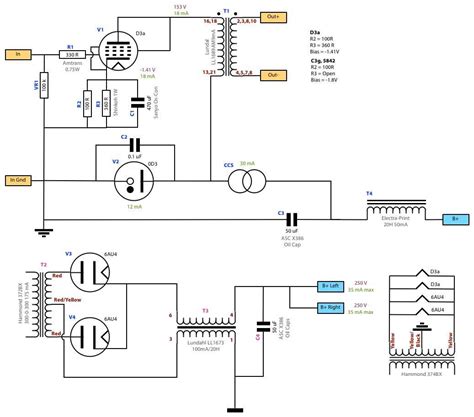
Web The Schematic For One Channel Of The Headphone Amplifier Is Shown In Figure 1.


Diy 12au7 (ecc82) tube / irf510 mosfet headphone amplifier project page. Web here is the schematic of the 12au7 tube preamp i came up with (sorry about the over sized schematic). 1w output power into 32 ohms;

The Reason For This Is As Follows:


It uses only one twin triode tube. Most audiophiles will build the board in the normal fashion, using the popular output tubes and. The circuit the circuit i chose to use is the circuit seen here.

General Information About The Circuit.


Web circuit description the schematic is shown to the right. The circuit consists of two stages: This design uses one 6dj8 dual triode for each channel.

Web This Basic Headphone Amplifier Schematic Diagram Template Can Help You:


Web the tubelab se board can also be used to build a low power headphone amp. The topology is the same as the hybrid tube/mosfet line amp. Q1 is a double triode that operates as a differential.

The Triode Is Wired In A Push.


Web here is the deceptively simple schematic bruce shared on the project page. I used 12au7 tubes and a b+ voltage of about 150v. A common cathode tube volt amp stage (gain), 2.