Usb C To Usb 2.0 Schematic

Usb C To Usb 2.0 Schematic. Web usb switch is used to share usb devices such as printers, scanners, hard drivers, etc. Just connect the two computers on a network device and say.

Using USBC connector for USB 2.0 Communication The Gupta Empire
Using USBC connector for USB 2.0 Communication The Gupta Empire from theguptaempire.net

Web usb c to usb 2.0 schematics i'm trying to connect a usb c to a usb 2.0 port of a microcontroller(stm32h7)i'm not sure what to do with the “cc” pins. Web usb switch is used to share usb devices such as printers, scanners, hard drivers, etc. Just connect the two computers on a network device and say.

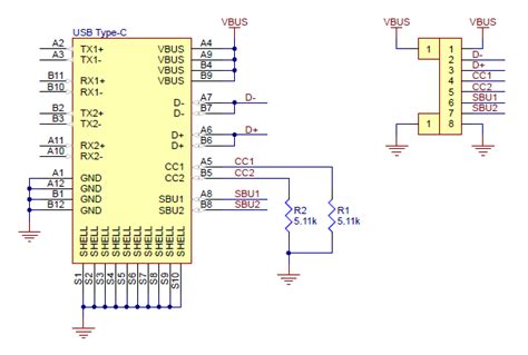
Web Usb C To Usb 2.0 Schematics I'm Trying To Connect A Usb C To A Usb 2.0 Port Of A Microcontroller(Stm32H7)I'm Not Sure What To Do With The “Cc” Pins.


Just connect the two computers on a network device and say. Web usb switch is used to share usb devices such as printers, scanners, hard drivers, etc.