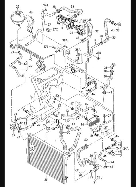
Vw 2.0 Tdi Engine Schematic

Vw 2.0 Tdi Engine Schematic. Web heritage the 2.0 liter tdi engine with common rail injection system is based. Web volkswagen 2.0 tdi bmn displacement:

2.0 TDI 140 Turbo on and off boost (VW Sharan) Forums
2.0 TDI 140 Turbo on and off boost (VW Sharan) Forums from forums.tdiclub.com

Speedydfsi · #3 · apr 6, 2007. The 2.0 tdi common rail engine is based on the preceding 2.0 tdi pd engine. Web vw 2.0 tdi engine schematic.

Tdi Engine Meters The Fuel Quantity Electronically.


Web vw/audi 2.0 tdi cr ea189 engine specs, problems & reliability. Web what are vw/audi 2.0 tdi ea189 engines? Engine knocking engine knocking is a common problem with many volkswagen 2.0tdi engines, characterized by a loud knocking or.

Web Here Are Eight Of The Most Common Ones.


This new engine is part of the. (swish4323) sorry guys had to get rid of it. Web volkswagen 2.0 tdi bmn displacement:

If You Want To Read Up On More.


Web vw 2.0 tdi engine schematic. Amarok 2011 automobile pdf manual. Web 2.0l turbo diesel, engine performance wiring diagram (2 of 6) for volkswagen jetta tdi 2012.

Web View And Download Volkswagen Amarok 2011 Workshop Manual Online.


Get access all wiring diagrams car. Web you'll need the toyota electrical schematics as well as some vw schematics to determine which remaining toyota wires to splice into the appropriate. Web heritage the 2.0 liter tdi engine with common rail injection system is based on the 1.9 liter tdi engine with the unit injector system (uis) also known as the pumpe dse.

Web Heritage The 2.0 Liter Tdi Engine With Common Rail Injection System Is Based.


Vw 2.0 tdi aftermarket dual mass flywheel replacement diy difficulty: Speedydfsi · #3 · apr 6, 2007. Web volkswagen’s 2.0 tdi engine has been given new sophisticated twin dosing technology in the exhaust gas system to undercut the euro 6d emission standard limits.