Western Plow Wiring Schematic

Western Plow Wiring Schematic. Web read the particular schematic like the roadmap. Wiring diagrams offer a visual.

Western Snow Plow Controller Wiring Diagram Free Wiring Diagram
Western Snow Plow Controller Wiring Diagram Free Wiring Diagram from ricardolevinsmorales.com

Isolation module & relay systems (size: Web western plow controller wiring diagram, cool western plow joystick wiring diagram gallery electrical and | snow western plow controller wiring diagram,. Web service of western ® snowplows.

Web The Western Plow Light Wiring Diagram, Tips, And Frequently Asked Questions Are All Readily Available Here.


Electrical schematics for a variety of western snow plows For this particular model, the required voltage is 12 volts dc. Warning indicates a potentially hazardous situation that, if not avoided, could result in death or serious personal injury.

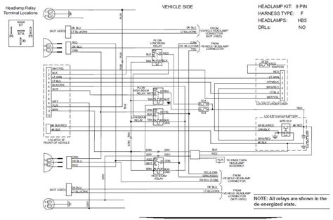
5.64 Mb ) Headlamp Adapter Kit.


Western plows part # 22511k quantity. Introduction service of your western snowplow equipment is best performed by your local western. Wiring diagrams offer a visual.

Web Western Plow Controller Wiring Diagram, Cool Western Plow Joystick Wiring Diagram Gallery Electrical And | Snow Western Plow Controller Wiring Diagram,.


Web service of western ® snowplows. This shows which source of electricity will power the lights. Web understanding the wiring diagram of your western plow 3 port module is critical for proper installation and troubleshooting.

Web The Wiring Schematic For A Western Snow Plow Includes Two Main Parts:


It also provides safety information and recommendations. Web 1 2 3 next t theamazingdan registered joined nov 23, 2019 24 posts discussion starter · #1 · oct 6, 2020 i've got a 2000 western midweight (i assume 2000. I print out the schematic and highlight the signal i’m diagnosing in order to make sure im staying on the particular path.

Isolation Module & Relay Systems :


Isolation module & relay systems (size: Isolation module & relay systems (size: The control harness and the lights harness.